Нашата серия RCS, чрез професионален дизайн и техническо производство, отговаря на разнообразните нужди на уплътненията на завой на бутални пръчки, като осигурява прецизни решения от общи сценарии до екстремни условия на труд.
По отношение на структурния дизайн, основните модели са съсредоточени върху стабилността и лекотата на използване: RCS101/103 повишава вграждането на стабилността чрез предварително затягане на О-пръстени или спомагателни устни, особено за къси удари; RCS102/104R/117R поддържа по-високо налягане чрез оптимизиране на съвместимостта на материала и канала (като RCS102R за стандартни сценарии за високо налягане с високо налягане). За пневматични системи, RCS105/205 приема специален дизайн на устните за поддържане на смазващ маслен филм и адаптиране към смазване/небъснална среда.
Ruichen Seals също се фокусира върху материалните и функционалните иновации. Модели като RCS118/119/124-129 използват Polytetrafluoroethylene (PTFE) или полиуретан като основно тяло, комбинирани с извори на Mander или О-пръстени за балансиране на налягането, за постигане на ниско температурно устойчивост, анти-сухо износване и устойчивост на попълване на корозия. RCS129 може да образува уплътняваща система с RCS101, която е подходяща за пешеходни машини и тежко хидравлично оборудване; RCS126-128 оптимизира уплътнението с ниско налягане чрез асиметричен дизайн на V-Piece и е персонализиран за фармацевтичната и химическата индустрия.
За сложни условия на труд RCS120/138 и други уплътнения с двойно действие имат интегриран дизайн на опорен пръстен, който е устойчив на високо налягане и изкривяване и се адаптира към компактните канали; RCS131 е заместител на О-пръстена, който е едновременно устойчив на екструзия и химическа устойчивост и се превърна в предпочитания избор за хранителната и фармацевтичната индустрия. И RCS116/216 могат бързо да поправят старите цилиндри чрез монтаж на приспособление, за да намалят разходите за престой.
Серията RCS помага на клиентите да се справят с високо налягане, висока скорост, корозивни медии и специални предизвикателства в индустрията и подобряване на надеждността и живота на оборудването.
Характеристики и приложения на продукта:
Уплътненията за завой на бутални прът са подходящи за хидравлични цилиндри и цилиндри, инженерни превозни средства, селскостопански машини, кранове и морско хидравлично оборудване, машинни инструменти.
Използва се в тежки индустриални машини, преси, химическа промишленост, цилиндри за бързо масло и хранителни продукти за позициониране, фармацевтична промишленост.
Предимства
Уплътняването на уплътнителните уплътнения на буталото е вградено стабилно в канала, с широк температурен диапазон, отлични статични и динамични характеристики на уплътняване и силна способност за възстановяване на остатъчно масло при динамични условия. Ниско триене, без пълзяща, висока устойчивост на износване, ниски стойности на статични и триене, само добри антиектризионни характеристики, добра топлопроводимост и широк температурен диапазон.
Подходящ за стари бутални пръти, отворен тип лесен за инсталиране пълзящ.

RCS101
Размер на поръчката
Φd ...... Външен диаметър
Φd ...... вътрешен диаметър
L ...... ширина на жлеба
| Повърхностно покритие | R Tmax (μm) | RA (μm) |
| Плъзгащи се повърхност, съвпадащи с гумени/полиуретанови уплътнения Плъзгащи се повърхност, съвпадащи с PTFE уплътнения | ≤2.5 ≤2 | ≤0.1-0.5 ≤0.05-0.3 |
| Отдолу от канала Грутна страна | ≤6.3 ≤15 | ≤1.6 ≤3 |
| Съотношение на дължината на поддръжката на профила на TP | 50%-95% |
|
| Толерантност | |
| Φd | F8 |
| Φd | H10 |
Пример за поръчка
Модел: RCS101
Размер на канала: 100x115x10
Материал: RC-PU-H

Тип уплътнение: RCS101, RCS102, RCS103, RCS104, RCS205, RCS106, RCS107, RCS108, RCS117, RCS121
Основно приложение: Подходящо за хидравлични и пневматични цилиндри
Предимства: Стабилно вграждане в жлеба, широк температурен диапазон, отлични статични и динамични характеристики на уплътняване, силна способност за извличане на остатъци при динамични условия.
Материал: Полиуретан, каучук
| Примери за уплътняване на жлеба | По -долу са стандартните размери на канала (праховите уплътнения от всякакъв размер в обхвата на размера могат да бъдат произведени) | ||||||||
![]() |
![]() |
Φd | Φd | L | c/s | Максимална пропаст в екструзия | |||
| 100bar | 250bar | 400bar | |||||||
| 5-24.9 | Φd+8 | 6.3 | 4 | 0.50 | 0.35 | 0.25 | |||
| 25-49.9 | Φd+10 | 8 | 5 | 0.50 | 0.35 | 0.25 | |||
| 50-149.9 | Φd+15 | 10 | 7.5 | 0.50 | 0.35 | 0.25 | |||
| 150-229.9 | Φd+20 | 14 | 10 | 0.50 | 0.35 | 0.25 | |||
| 300-499.9 | Φd+25 | 17 | 12.5 | 0.50 | 0.35 | 0.25 | |||
| 500-699.9 | Φd+30 | 25 | 15 | 0.50 | 0.35 | 0.25 | |||
| > 700 | Φd+40 | 32 | 20 | 0.60 | 0.40 | 0.30 | |||
| > 1000 | Φd+50 | 40 | 25 | 0.70 | 0.50 | 0.40 | |||

RCS109
Размер на поръчката
Φd ...... Външен диаметър
Φd ...... вътрешен диаметър
L ...... ширина на жлеба
|
Повърхностно покритие |
R Tmax (μm) |
RA (μm) |
|
Плъзгащи се повърхност, съвпадащи с гумени/полиуретанови уплътнения Плъзгащи се повърхност, съвпадащи с PTFE уплътнения |
≤2.5
≤2 |
≤0.1-0.5
≤0.05-0.3 |
|
Отдолу от канала Грутна страна |
≤6.3 ≤15 |
≤1.6 ≤3 |
|
Съотношение на дължината на поддръжката на профила на TP |
50%-95% |
|
|
Толерантност |
|
|
Φd |
F8 |
|
Φd |
H10 |
Пример за поръчка
Модел: RCS109
Размер на канала: 100x115.1x6.3
Материал: PTFE3+NBR

Тип уплътнение: RCS109
Основно приложение: инженерни превозни средства, селскостопански машини, кранове, морско хидравлично оборудване, машинни инструменти.
Предимства: Ниско триене, без пълзене, висока устойчивост на износване, само добра ефективност на антиектриузия, добра топлопроводимост, стабилен вграден жлеб, широк температурен диапазон.
Материал: Тетрафлуоретилен, нитрил каучук или флуор
|
Примери за уплътняване на жлеба |
По -долу са стандартните размери на канала (праховите уплътнения от всякакъв размер в обхвата на размера могат да бъдат произведени) |
||||||||
|
|
|
Φd |
Φd |
L |
c/s |
Максимална пропаст в екструзия |
|||
|
100bar |
200bar |
400bar |
|||||||
|
5-7.9 |
Φd+4.9 |
2.2 |
2.45 |
0.30 |
0.20 |
0.15 |
|||
|
8-18.9 |
Φd+7.3 |
3.2 |
3.64 |
0.40 |
0.25 |
0.15 |
|||
|
19-37.9 |
Φd+10.7 |
4.2 |
5.35 |
0.40 |
0.25 |
0.20 |
|||
|
38-199.9 |
Φd+15.1 |
6.3 |
7.55 |
0.50 |
0.30 |
0.20 |
|||
|
200-255.9 |
Φd+20.5 |
8.1 |
10.25 |
0.60 |
0.35 |
0.25 |
|||
|
256-649.9 |
Φd+24 |
8.1 |
12 |
0.60 |
0.35 |
0.25 |
|||
|
650-1000 |
Φd+27.3 |
9.5 |
13.65 |
0.70 |
0.50 |
0.30 |
|||
|
> 1000 |
Φd+38 |
13.8 |
19 |
1.00 |
0.70 |
0.50 |
|||

RCS110-112
Размер на поръчката
Φd ...... Външен диаметър
Φd ...... вътрешен диаметър
L ...... ширина на жлеба
|
Повърхностно покритие |
R Tmax (μm) |
RA (μm) |
|
Плъзгащи се повърхност, съвпадащи с гумени/полиуретанови уплътнения Плъзгащи се повърхност, съвпадащи с PTFE уплътнения |
≤2.5
≤2 |
≤0.1-0.5
≤0.05-0.3 |
|
Отдолу от канала Грутна страна |
≤6.3 ≤15 |
≤1.6 ≤3 |
|
Съотношение на дължината на поддръжката на профила на TP |
50%-95% |
|
|
Толерантност |
|
|
Φd |
F8 |
|
Φd |
H10 |
Пример за поръчка
Модел: RCS110-112
Размер на канала: 100x120x32
Материал: RC-PU-H+POM

Тип уплътнение: RCS110-112, RCS126-128
Основно приложение: За тежки индустриални машини, преси
Предимства: Подходящи за стари бутални пръти, отворен тип лесен за инсталиране Creeper
Материал: Полиуретан, полиоксиметилен, найлон
|
Примери за уплътняване на жлеба |
По -долу са стандартните размери на канала (праховите уплътнения от всякакъв размер в обхвата на размера могат да бъдат произведени) |
|||||
|
|
|
Φd |
Φd |
L |
c/s |
|
|
10-39.9 |
Φd+10 |
16 |
5 |
|||
|
40-74.9 |
Φd+15 |
25 |
7.5 |
|||
|
75-149.9 |
Φd+20 |
32 |
10 |
|||
|
150-199.9 |
Φd+25 |
40 |
12.5 |
|||
|
200-299.9 |
Φd+30 |
50 |
15 |
|||
|
300-599.9 |
Φd+40 |
63 |
20 |
|||
|
> 600 |
Φd+40 |
80 |
20 |
|||
|
> 1000 |
Φd+50 |
100 |
25 |
|||

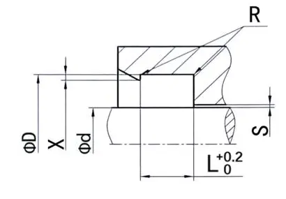
RCS119
Размер на поръчката
Φd ...... Външен диаметър
Φd ...... вътрешен диаметър
L ...... ширина на жлеба
|
Повърхностно покритие |
R Tmax (μm) |
RA (μm) |
|
Плъзгащи се повърхност, съвпадащи с гумени/полиуретанови уплътнения Плъзгащи се повърхност, съвпадащи с PTFE уплътнения |
≤2.5
≤2 |
≤0.1-0.5
≤0.05-0.3 |
|
Отдолу от канала Грутна страна |
≤6.3 ≤15 |
≤1.6 ≤3 |
|
Съотношение на дължината на поддръжката на профила на TP |
50%-95% |
|
|
Толерантност |
|
|
Φd |
F8 |
|
Φd |
H10 |
Пример за поръчка
Модел: RCS119
Размер на канала: 100x109.4x7.1
Материал: PTFE2+NBR

Тип уплътнение: RCS119
Основно приложение: Химическа промишленост, бързи цилиндри и машини за позициониране. Хранителната индустрия, фармацевтичната индустрия.
Предимства: устойчиви на високи температури и различни химични среди, нисък коефициент на триене, без пълзене, добри характеристики на сухо триене, ниски стойности на статичните и триене.
Материал: PTFE+пружина на листа
|
Примери за уплътняване на жлеба |
По -долу са стандартните размери на канала (праховите уплътнения от всякакъв размер в обхвата на размера могат да бъдат произведени) |
|||||||||
|
|
|
Φd |
Φd |
L |
R |
X |
Максимална пропаст в екструзия |
|||
|
100bar |
200bar |
400bar |
||||||||
|
10-19.9 |
D+4.5 |
3.6 |
0.4 |
0.6 |
0.15 |
0.10 |
0.07 |
|||
|
20-39.9 |
D+6.2 |
4.8 |
0.6 |
0.7 |
0.20 |
0.15 |
0.08 |
|||
|
40-119.9 |
D+9.4 |
7.1 |
0.8 |
0.8 |
0.25 |
0.20 |
0.10 |
|||
|
120-1000 |
D+12.2 |
9.5 |
0.8 |
0.9 |
0.30 |
0.25 |
0.12 |
|||
|
> 1000 |
D+19.0 |
15 |
0.8 |
0.9 |
0.50 |
0.40 |
0.20 |
|||



















































































Адрес
No.1 Ruichen Road, Dongliuting Industrial Park, Chengyang District, Qingdao City, Shandong Province, Китай
Тел
Електронна поща